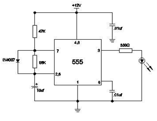
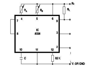
Digital Storage Oscilloscope – ITI NIMI Mock TestTest Digital Storage Oscilloscope (डिजिटल स्टोरेज ऑसिलोस्कोप) – ITI NIMI Mock Test Electronic Mechanic Theory 2nd Year Digital Storage Oscilloscope - ITI NIMI Mock Test Electronic Mechanic Theory 2nd Year 1 / 181. Q. Which IC is used in the Astablemultivibrator circuit? | एस्टेबल मल्टीवीब्रेटर सर्किट में किस।C का उपयोग किया जाता है? A) IC 324 B) IC 555 C) IC 723 D) IC 741 2 / 182. Q. What is the advantage of the Digital Storage Oscilloscope? | डिजिटल स्टोरेज ऑसिलोस्कोप का क्या फायदा है? A) Process signals in analog format | एनालॉग प्रारूप में संकेतों को संसाधित करना B) Make measurement of digital data | डिजिटल डेटा का मापन करना C) Stores digital data for later viewing | इलेक्ट्रॉन बीम स्क्रीन के पार जाती है D) Electron beam moves across the screen | स्क्रीन पर इलेक्ट्रॉन बीम चाल 3 / 183. Q. What is the purpose of sampling in DSO operation? | डीएसओ ऑपरेशन में नमूना लेने का उद्देश्य क्या है? A) Control time base signal | नियंत्रण समय आधार संकेत B) Convert analog signal to digital | एनालॉग सिग्नल को डिजिटल में बदलें C) Convert digital signal to analog | डिजिटल सिग्नल को एनालॉग में बदलें D) Visualize the signal on screen. | स्क्रीन पर सिग्नल की कल्पना करें 4 / 184. Q. What is the name of the circuit built with IC 8038? | आईसी 8038 के साथ निर्मित सर्किट का नाम क्या है? A) Pulse generator | पल्स उत्पन्न करने वाला B) Sine wave generator | साइन तरंग जनरेटर C) Square wave generator | वर्ग तरंग जनरेटर D) Function generator | फंक्श न जनरेटर 5 / 185. Q. Which acquisition mode is used by the DSO to sample the highest and lowest values of the input signal? | इनपुट सिग्नल के उच्चतम और निम्नतम मूल्यों का नमूना करने के लिए डीएसओ द्वारा किस अधिग्रहण प्रणाली का उपयोग किया जाता है? A) Auto mode | ऑटो मोड B) Sample mode | सैंपल मोड C) Average mode | एवरेज मोड D) Peak detect mode | पीक डिटेक्ट मोड 6 / 186. Q. How the digital equipment works with the input voltage samples? | इनपुट वोल्टेज नमूनों के साथ डिजिटल उपकरण कैसे काम करता है? A) Constant output voltage | लगातार आउटपुट वोल्टेज B) Continuously variable voltage | लगातार परिवर्तनशील वोल्टेज C) Continuously variable current | लगातार परिवर्तनशील करंट D) Convert it to Binary numbers | इसे बाइनरी संख्या में परिवर्तित करके 7 / 187. Q. Which type of waveform is available at pin number 9 of function generator IC 8038? | फंक्श न जनरेटर आईसी 8038 के पिन नंबर 9 पर किस प्रकार की तरंग उपलब्ध है? A) Sine wave | साइन तरंग B) Square wave | स्क्वेर तरंग C) Triangular wave | त्रिकोणीय तरंग D) Modulated wave | संग्राहक तरंग 8 / 188. Q. Which function makes a stable waveform displayed on the Dso screen? | कौन सा फंक्शन Dso स्क्रीन पर प्रदर्शित एक स्थिर तरंग बनाता है? A) Auto set function | ऑटो सेट फंक्शन B) Triggering function | ट्रिग्गरिंग फंक्शन C) Saving a setup function | सेटअप फंक्शन सहेजना D) Recalling a setup function | एक सेटअप फंक्शन स्मरण करना 9 / 189. Q. Which circuit is used in Digital Storage Oscilloscope (DSO) to convert the input sample voltage into digital information? | इनपुट सैंपल वोल्टेज को डिजिटल जानकारी में परिवर्तित करने के लिए डिजिटल स्टोरेज ऑसिलोस्कोप (DSO) में किस सर्किट का उपयोग किया जाता है? A) Rectifier circuit | रेक्टिफायर सर्किट B) Inverter circuit | इन्वर्टर सर्किट C) Digital to Analog converter circuit | डिजिटल एनालॉग कनवर्टर सर्किट करने के लिए D) Analog to Digital converter circuit | डिजिटल कनवर्टर सर्किट के अनुरूप करने के लिए 10 / 1810. Q. What is the name of the factory setup done to the Digital Storage Oscilloscope? | फ़ैक्टरी सेटअप का नाम क्या है, जो कि डिजिटल स्टोरेज ऑसिलोस्कोप के लिए किया जाता है? A) Normal setup | सामान्य सेटअप B) Factory setup | फैक्टरी सेटअप C) Default setup | डिफ़ॉल्ट सेटअप D) Measurement setup | मापन सेटअप 11 / 1811. Q. How the overall operation of DSO is controlled? | डीएसओ का समग्र संचालन कैसे नियंत्रित किया जाता है? A) Using microprocessors | माइक्रोप्रोसेसरों का उपयोग करके B) Using ICs and transistors | ICs और ट्रांजिस्टर का उपयोग करके C) Using discrete components | असतत घटकों का उपयोग करके D) Using diodes and transistors | डायोड और ट्रांजिस्टर का उपयोग करके 12 / 1812. Q. Which function is performed by the sample / Hold circuit along with the ADC in Digital Storage Oscilloscope? | डिजिटल स्टोरेज ऑसिलोस्कोप में ADC के साथ सैंपल/होल्ड सर्किट द्वारा कौन सा कार्य किया जाता है? A) Storage | भंडारण B) Data display | डाटा प्रदर्शन C) Data acquisition | आंकड़ा अधिग्रहण D) Upload to computer | कंप्यूटर पर अपलोड करें 13 / 1813. Q. What is the name of waveform displayed on the Dso screen? | DSO स्क्रीन पर प्रदर्शित तरंग का नाम क्या है? A) DC waveform | DC वेवफॉर्म B) Pulse waveform | पल्स वेवफॉर्म C) Ringing waveform | रिंगिंग वेवफॉर्म D) Sawtooth waveform | सॉटुथ वेवफॉर्म 14 / 1814. Q. Which type of waveform is available in pin number 3 of IC 8038 function generator? | आई सी 8038 फंक्शन जनरेटर के पिन नंबर 3 में किस प्रकार की तरंग उपलब्ध है? A) Sine wave | साइन तरंग B) Square wave | स्क्वेर तरंग C) Triangle wave | त्रिभुज तरंग D) Modulated wave | संग्राहक तरंग 15 / 1815. Q. What is the full form of the abbreviation D.S.O? | संक्षिप्त नाम D.S.0 का पूर्ण रूप क्या है? A) Dual System oscillator | दोहरी प्रणाली ओसिलेटर B) Dual Storage Oscillator | दोहरी भंडारण ओसिलेटर C) Digital System oscilloscope | डिजिटल सिस्टम ऑसिलोस्कोप D) Digital Storage Oscilloscope | डिजिटल स्टोरेज ऑसिलोस्कोप 16 / 1816. Q. What is the name of the circuit? | सर्किट का नाम क्या है? A) Astable multivibrator | अस्टेबल मल्टीवाईब्रेटर B) Bistable multivibrator | बाइस्टेबल मल्टीवाईब्रेटर C) RC coupled amplifier | RC कपल्ड एम्पलीफायर D) Monostable multivibrator | मोनोस्टेबल मल्टीवाईब्रेट 17 / 1817. Q. What type of wave form is available at pin number 2 of function generator IC 8038? | फंक्शन जनरेटर ।8038 के पिन नंबर 2 पर किस प्रकार का तरंग रूप उपलब्ध है? A) Sine wave | साइन तरंग B) Square wave | स्क्वेर तरंग C) Triangular wave | त्रिकोणीय तरंग D) Modulated wave | संग्राहक तरंग 18 / 1818. Q. Which part of the DSO stores the processed data of input signal voltage? | डीएसओ का कौन सा हिस्सा इनपुट सिग्नल वोल्टेज के संसाधित डेटा को संग्रहीत करता है? A) Memory | मेमोरी B) Screen display | स्क्रीन डिस्प्ले C) Analog to digital converter | एनालॉग टू डिजिटल कनवर्टर D) Digital to analog converter | डिजिटल टू एनालॉग कनवर्ट Your score is Facebook Restart