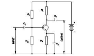
Electronics Practice Electrician 2nd Year Mock TestTest Electronics Practice (इलेक्ट्रॉनिक्स अभ्यास) Electrician 2nd Year Mock Test – NIMI Mock Test Electronics Practice - ITI Electrician Mock Test Theory 2nd Year 1 / 421. Which quantity can be measured by CRO? | सीआरओ द्वारा किस मात्रा को मापा जा सकता है? A) Frequency | आवृत्ति B) Inductance | प्रेरकत्व C) Resistance | प्रतिरोध D) Power factor | शक्ति गुणांक 2 / 422. What is the type of amplifier? | एम्पलीफायर का प्रकार क्या है? A) Push Pull Amplifier | पुश पुल एम्पलीफायर B) Common Base Amplifier | कॉमन बेस एम्पलीफायर C) Emitter Follower Amplifier | एमिटर फॉलोअर एम्पलीफायर D) Common Emitter Amplifier | कॉमन एमिटर एम्पलीफायर 3 / 423. Which multi vibrator produces a repetitive pulse wave form output? | कौन सा मल्टी वाइब्रेटर आउटपुट से दोहरावदार पल्स वेव पैदा करता है? A) Astable multi vibrator | अस्टेबल मल्टी वाइब्रेटर B) Bistable multi vibrator | बाईस्टेबल मल्टी वाइब्रेटर C) One shot multi vibrator | वन शॉट मल्टी वाइब्रेटर D) Monostable multi vibrator | मोनोस्टेबल मल्टी वाइब्रेटर 4 / 424. How the gate terminal of N channel JFET biased? | Nचैनल JFET का गेट टर्मिनल कैसे अभिनत है? A) Gates are reverse biased | गेट्स पश्च अभिनत हैं B) Gates are forward biased | गेट्स अग्र अभिनत हैं C) Gates are forward biased with drain | गेट ड्रेन के साथ अग्र अभिनत हैं D) Gates are reverse biased with source | गेट्स सोर्स के साथ पश्च अभिनत हैं 5 / 425. Which type of control device is used in electronic fan regulator control circuits? | इलेक्ट्रॉनिक पंखा नियामक नियंत्रण सर्किट में किस प्रकार के नियंत्रण उपकरण का उपयोग किया जाता है? A) FET B) UJT C) DIAC D) TRIAC 6 / 426. Which oscillator provides high accurate stable frequency? | कौन सा दोलक उच्च सटीक स्थिर आवृत्ति प्रदान करता है? A) Hartley oscillator | हार्टले ऑसिलेटर B) Colpitts oscillator | कोलपिट्स ऑसिलेटर C) Quartz crystal oscillator | क्वार्ट्स क्रिस्टल D) R.C. phase shift oscillator | आरसी फेज़ शिफ्ट 7 / 427. Which device is made up of using the methods of point contact, grown, diffusion and alloy junctions? | बिंदु संपर्क, विकसित, डिफ्यूजन और मिश्र धातु जंक्शनों के तरीकों का उपयोग करके किस उपकरण का निर्माण किया जाता है? A) Inductor | प्रेरकत्व B) Resistor | प्रतिरोधक C) Capacitor | संधारित्र D) Transistor | ट्रांजिस्टर 8 / 428. What is the name of amplifier? | एम्पलीफायर का नाम क्या है? A) Common emitter amplifier | कॉमन एमिटर एम्पलीफायर B) Class B push pull amplifier | क्लास बी पुश पुल एम्पलीफायर C) Common collector amplifier | कॉमन कलेक्टर एम्पलीफायर D) Class AB push pull amplifier | क्लास एबी पुश पुल एम्पलीफायर 9 / 429. Why a feedback network is used in the oscillator? | दोलक में एक फीडबैक नेटवर्क का उपयोग क्यों किया जाता है? A) To cancel noise distortion | शोर विरूपण को रदद करने के लिए B) To phase shift the signal by 60° | 60 डिग्री से फेज़ शिफ्ट करने के लिए C) To phase shift the signal by 180° | सिग्नल को 180° से फेज़ शिफ्ट करने के लिए D) To cancel second harmonic distortion | दूसरे हार्मोनिक विरूपण को रद्द करने के लिए 10 / 4210. Which circuit is essential to maintain oscillations or waves in an oscillator circuit? | दोलक सर्किट में दोलनों या तरंगों को बनाए रखने के लिए कौन सा सर्किट आवश्यक है? A) Rectifier with filter | फिल्टर के साथ दिष्टकारी B) Voltage multiplier | वोल्टेज गुणक C) Negative feed back | नकारात्मक फीडबैक D) Positive feed back | सकारात्मक फीडबैक 11 / 4211. Which doping material is used to make P-type semiconductor? | पी-टाइप सेमी कंडक्टर बनाने के लिए किस डोपिंग सामग्री का उपयोग किया जाता है? A) Boron | बोरान B) Arsenic | आर्सेनिक C) Antimony | एंटीमनी D) Phosphorous | फास्फोरस 12 / 4212. Which is the main application of SCR? | सकारात्मक फीड का मुख्य अनुप्रयोग कौन सा है? A) Amplifier | प्रवर्धक B) Oscillators | दोलक C) Multi vibrators | मल्टी वाइब्रेटर D) Speed control of motors | मोटरों का गति नियंत्रण 13 / 4213. What is the type of function in the transistor circuit? | ट्रांजिस्टर सर्किट में फंक्शन का प्रकार क्या है? A) Switching | स्विचिंग B) Oscillation | ऑसिलेशन C) Modulation | मॉड्यूलेशन D) Amplification | प्रवर्धन 14 / 4214. Which quadrant operation of SCR delivers heavy current in reverse biasing? | SCR का कौन सा चतर्थांश प्रचालन रिवर्स बायसिंग में भारी करंट देता है? A) First quadrant | पहला चतुर्थांश B) Third quadrant | तीसरा चतुर्थांश C) Fourth quadrant| चौथा चतुर्थांश D) Second quadrant | दूसरा चतुर्थांश 15 / 4215. Why a snubber circuit is used in the TRIAC motor control circuit? | ट्रायक मोटर नियंत्रण सर्किट में एक स्नबर सर्किट का उपयोग क्यों किया जाता है? A) To avoid false triggering | गलत ट्रिगर से बचने के लिए B) To increase the life of TRIAC | ट्रायक का जीवन बढ़ाने के लिए C) To increase the motor torque | मोटर बलाघूर्ण ऑसिलेटर को बढ़ाने के लिए D) To maintain the motor speed constant | मोटर ऑसिलेटर की गति को स्थिर बनाए रखने के लिए 16 / 4216. Which letter indicates the compound material cadmium sulphide? | कौन सा अक्षर यौगिक पदार्थ कैडमियम सल्फाइड को इंगित करता है? A) A B) B C) C D) R 17 / 4217. What is the name of the symbol? | प्रतीक का नाम क्या है? (Most Important Question) A) Two input OR gate | दो इनपुट OR गेट B) Two input AND gate | दो इनपुट AND गेट C) Two input NOR gate | दो इनपुट NOR गेट D) Two input NAND gate | दो इनपुट NAND गेट 18 / 4218. What is the main advantage of a class A amplifier? | क्लास ए एम्पलीफायर का मुख्य लाभ क्या है? A) Minimum distortion | न्यूनतम विकृति B) Maximum current gain | अधिकतम धारा लाभ C) Maximum voltage gain | अधिकतम वोल्टेज लाभ D) Minimum signal to noise ratio losses | शोर अनुपात हानि के लिए न्यूनतम सिग्नल 19 / 4219. Which electronic circuit generates A.C signal without input? | कौन सा इलेक्ट्रॉनिक सर्किट बिना इनपुट के A.C सिग्नल उत्पन्न करता है? A) Filter circuit | फिल्टर सर्किट B) Rectifier circuit | दिष्टकारी सर्किट C) Amplifier circuit | प्रवर्धक सर्किट D) Oscillator circuit | दोलन सर्किट 20 / 4220. Which is a passive component? | एक निष्क्रिय घटक कौन सा है? A) Diac | डायक B) Diode | डायोड C) Transistor | ट्रांजिस्टर D) Capacitor | संधारित्र 21 / 4221. Which is the advanced version of power electronic component used in the output stage in drives? | ड्राइव में आउटपुट चरण में उपयोग किए जाने वाले पावर इलेक्ट्रॉनिक घटक का उन्नत संस्करण कौनसा है? A) FET B) UJT C) SCR D) IGBT 22 / 4222. Which electronic circuit produces signal waves or pulses without an input? | कौन सा इलेक्ट्रॉनिक सर्किट बिना इनपुट के सिग्नल तरंगों या पल्सेस का उत्पादन करता है? A) Detector | डिटेक्टर B) Amplifier | एम्पलीफायर C) Oscillator | दोलक D) Modulator | मोड्यूलेटर 23 / 4223. What is the use of time-base control switch or knob in the CRO? | सीआरओ में टाइम-बेस कंट्रोल स्विच या नॉब का उपयोग क्या है? A) Select sweep speed | स्वीप स्पीड का चयन करें B) Select input voltage range | इनपुट वोल्टेज रेंज का चयन करें C) Select input signal voltage| इनपुट सिग्नल वोल्टेज का चयन करें D) Select intensity of the beam | बीम की तीव्रता का चयन करें 24 / 4224. Why the collector region is physically made larger than emitter region in a transistor? | एक ट्रांजिस्टर में कलेक्टर क्षेत्र भौतिक रूप से उत्सर्जक क्षेत्र से बड़ा क्यों बनाया जाता है? A) It has to dissipate more heat | इसे अधिक गर्मी का प्रसार करना पड़ता है B) Output taken from collector terminal | कलेक्टर टर्मिनल से लिया गया निर्गत C) Base collector region is reverse biased | बेस कलेक्टर क्षेत्र रिवर्स बायस्ड है D) Collector region always operate with high voltage | कलेक्टर क्षेत्र हमेशा उच्च वोल्टेज के साथ काम करता है 25 / 4225. What is the minimum and maximum value of resistor with four colour bands, red, violet, orange and gold respectively? | क्रमशः चार रंग बैंड, लाल, बैंगनी, नारंगी और सोने के साथ प्रतिरोध का न्यूनतम और अधिकतम मान क्या है? A) 237500-262500 Ohm B) 247000-273000 Ohm C) 256500-283500 Ohm D) 224000-336000 Ohm 26 / 4226. Which instrument provides a visual representation of measured or tested quantities? | कौन सा उपकरण मापे हए या परीक्षणित मात्रा का एक दृश्य प्रतिनिधित्व प्रदान करता है? A) Voltage stabilizer | वोल्टेज स्टेबलाइजर B) Function generator | फलन जनक C) Cathode ray oscilloscope | कैथोड रे ऑसिलोस्कोप D) Radio frequency generator | रेडियो फ्रीक्वेंसी जनरेटर 27 / 4227. What is the main function of Uni Junction Transistor (UIT)? | युनी जंक्शन ट्रांजिस्टर (UIT) का मुख्य कार्य क्या है? A) Relaxation oscillator | रिलेक्सेशन ओसिलेटर B) Broadcast transmitter | प्रसारण ट्रांसमीटर C) Loudspeaker amplifier | लाउड स्पीकर एम्पलीफायर D) Microphone input device | माइक्रोफोन इनपुट डिवाइस 28 / 4228. What is the output voltage if the centre tap of transformer is open circuited in a full wave rectifier circuit? | यदि ट्रांसफॉर्मर का सेण्टर टैप पूर्ण तरंग रेक्टिफायर सर्किट में खुला हुआ है, तो आउटपुट वोल्टेज क्या है? A) Zero voltage | शून्य वोल्टेज B) Full rated output | पूर्ण रेटेड निर्गत C) Half of the rated output | रेटेड निर्गत का आधा D) One fourth of rated output | रेटेड निर्गत का एक चौथाई 29 / 4229. What is the minimum voltage required in the base emitter junction to conduct a silicon transistor? | सिलिकॉन ट्रांजिस्टर के संचालन के लिए बेस एमिटर जंक्शन में न्यूनतम वोल्टेज की आवश्यकता क्या है? A) 0.2V-0.3V B) 0.4V-0.5V C) 0.6V-0.7V D) 0.81-0.9V 30 / 4230. Why negative feedback is required in amplifier circuits? | एम्पलीफायर सर्किट में नकारात्मक फीडबैक की आवश्यकता क्यों है? A) To reduce the distortion | विकृति को कम करने के लिए B) To increase the amplification factor | प्रवर्धन कारक को बढ़ाने के लिए C) To increase the output voltage gain | आउटपुट वोल्टेज बढ़ाने के लिए D) To increase the output current gain | आउटपुट धारा लाभ में वृद्धि करने के लिए 31 / 4231. Which logic gate refers the truth table? | सत्य तालिका किस लॉजिक गेट को संदर्भित करती है? A) OR gate | OR गेट B) NOT gate | NOT गेट C) AND gate | AND गेट D) NOR gate | NOR गेट 32 / 4232. Which resistor is used to measure light intensity? | प्रकाश की तीव्रता को मापने के लिए किस अवरोधक का उपयोग किया जाता है? A) VDR B) NTC C) PTC D) LDR 33 / 4233. How many characters are in hexadecimal number system? | हेक्साडेसिमल संख्या प्रणाली में कितने वर्ण हैं? A) 6 B) 8 C) 12 D) 16 34 / 4234. Which is a active component? | एक सक्रिय घटक कौन सा है? A) Inductor | इंडक्टर B) Resistor | रजिस्टर C) Capacitor | कैपेसिटर D) Transistor | ट्रांजिस्टर 35 / 4235. What is the characteristic property of base material in a transistor? | एक ट्रांजिस्टर में आधार सामग्री का विशेष गुण क्या है? A) Lightly doped and very thin | हल्के से डोप किया हुआ और बहुत पतला B) Heavily doped and very thin | भारी और बहुत पतला C) Lightly doped and very larger | हल्के से डोप किया हुआ और बहुत बड़ा D) Heavily doped and very larger | भारी और बहुत बड़ा 36 / 4236. What is the main application of a Field Effect Transistor (FET)? | फील्ड इफेक्ट ट्रांजिस्टर (FET) का मुख्य अनुप्रयोग क्या है? A) Voltage control device | वोल्टेज नियंत्रण डिवाइस B) Current control device | धारा नियंत्रण डिवाइस C) Positive feedback device | सकारात्मक फीडबैक डिवाइस D) Low input impedance device | कम इनपुट प्रतिबाधा उपकरण 37 / 4237. Why most of semi conductor devices are made by silicon compared to germanium? | जर्मेनियम की तुलना में सिलिकॉन दवारा अधिकांश अर्ध बड़ा चालक उपकरण क्यों बनाए जाते हैं? A) High barrier voltage | उच्च बाधा वोल्टेज B) High resistance range | उच्च प्रतिरोध रेंज C) High thermal conductivity | उच्च तापीय चालकता D) High current carrying capacity | उच्च धारा ले जाने की क्षमता 38 / 4238. What is the reason for barrier voltage is more in silicon material? | सिलिकॉन सामग्री में रोधिका वोल्टेज का कारण क्या है? A) Lower atomic number | कम परमाणु संख्या B) Resistance is very low | प्रतिरोध बहुत कम है C) Doping percentage is more | डोपिंग प्रतिशत अधिक है D) Valance electrons are two only | वैलेंस इलेक्ट्रॉन केवल दो हैं 39 / 4239. Which type of biasing is required to a NPN transistor for amplification? | प्रवर्धन के लिए NPN ट्रांजिस्टर के लिए किस प्रकार की अभिनति की आवश्यकता होती है? A) Base ground, emitter and collector positive | बेस ग्राउंड, एमिटर और कलेक्टर पॉजिटिव B) Base negative, emitter positive and collector negative | बेस निगेटिव, एमिटर पॉजिटिव और कलेक्टर नेगेटिव C) Base positive, emitter negative and collector positive | बेस पॉजिटिव, एमिटर निगेटिव और कलेक्टर D) Base positive, emitter negative and collector negative | बेस पॉजिटिव, एमिटर निगेटिव और कलेक्टर निगेटिव 40 / 4240. What is the name of the device symbol? | डिवाइस सिंबल का नाम क्या है? A) SCR | एससीआर B) IGBT | आईजीबीटी C) DIAC | डायक D) TRIAC | ट्रायक 41 / 4241. Which code indicates silicon semiconductor diode? | सिलिकॉन सेमी कंडक्टर डायोड किस कोड को इंगित करता है? A) OA79 B) BY 126 C) IN 4007 D) 2N3055 42 / 4242. What is the purpose of DIAC in power control circuits? | पावर कंट्रोल सर्किट में DIAC का उद्देश्य क्या है? A) As rectifier | रेक्टिफायर के रूप में B) For triggering | ट्रिगर करने के लिए C) As an oscillator | एक ऑसिलेटर के रूप में D) For amplification | प्रवर्धन के लिए Your score is Restart Exit