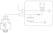
Electronic Control System – NCVT ITI NIMI Mock Test MMVTestElectronic Control System (इलेक्ट्रॉनिक नियंत्रण प्रणाली) – NCVT ITI NIMI Mock Test MMV Theory 2nd Year Electronic Control System - NCVT ITI NIMI Mock Test MMV Theory 2nd Year 1 / 441. Q. What is the effect on engine performance if air leak in the induction system observed? | यदि ईंडक्शन सिस्टम में एयर लीक होती है तो ईंजन को गुणवक्ता पर क्या असर होता है? A) Engine hard to start - Hot | ईंजन मुश्किल से टाट होती है - गर्म B) Engine cranks but will not start | ईंजन केंक होता है लेकिन सट नहीं होती। C) Pressure regulato | प्रेशर रेगुलेटर D) Engine produce abnormal noise | ईंजन से असाधारण आवाज पैदा होती हैा 2 / 442. Q. What is the purpose of condensor in the ignition system? | इग्निशन सिस्टम में कंडेन्सर का क्या उदेश्य है? A) Distribute high tension current to spark plugs | स्पार्क प्लग को हाई टेंशन करन्ट बाँटना B) Insulate spark plug electrodes | स्पार्क प्लग की इलेक्ट्रोड को इंसुलेट करना C) Prevents arcs at the points | प्वाईंट को आर्क से बचाना D) Open and close the primary circuit | प्राईमरी सर्किट को खोलना ओर बंद करना 3 / 443. Q. Which type of sensor located at the exhaust manifold? | एगजास्ट मेनिफोल्ड पर किस प्रकार का सेंसर लगा होता है? A) Hall effect sensor | हाल इफेक्ट सेंसर B) Oxygen sensor | ऑक्सीजन सेंसर C) Air vertex sensor | एयर वरटेक्स सेंसर D) Mass air flow sensor | मास एयर फ्लो सेंसर 4 / 444. Q. What is the name of sensor? | सेंसर का क्या नाम है? A) Temperature sensor | टेम्परेचर सेंसर B) Throttle position sensor | थ्रोटल पोजिशन सेंसर C) Crank shaft position sensor | केंक शाफ्ट पोजिशन सेंसर D) Pressure sensor | प्रेशर सेंसर 5 / 445. Q. What will be the effect of the long heat path travel in the spark plug? | स्पार्क प्लग में हीट द्वारा लम्बा रास्ता तय करने का क्या असर होगा? A) Spark plug will run cooler | स्पार्क प्लग ठंडा रहेगा B) Life of spark plug increased | स्पार्क प्लग की लाईफ बढ जाएगी C) Spark plug will run hot | स्पार्क प्लग गर्म रहेगा D) Improper atomisation | आटोमाईजेशन ठीक नही रहेगा 6 / 446. Q. What is the name of part marked as 'x' in the distributor? | डिस्ट्रीब्यूटर में 'x' निशान वाले पार्ट का क्या नाम है? A) Rotor | रोटर B) Condenser | कंडेसर C) Condenser | कंडेसर D) Cam | कैम 7 / 447. Q. Which electronic control system supplies optimum airfuel mixture to the combustion chamber under different driving condition? | अलगअलग ड्राईविंग कंडिशन के रहते, कम्वशन चेम्बर में सही मात्रा मे एयर-फ्युल मिक्सचर कौन सा इलेक्टोनिक्स कंट्रोल सिस्टम पहुचाता है? A) Idle speed control system | आईडल स्पिड कट्रोल सिस्टम B) Fuel injection control system | फ्युल ईंजेक्श न कंट्रोल सिस्टम C) Ignition control system | ईगिनशन कंट्रोल सिस्टम D) Oil pump control system | तेल पंप नियंत्रण प्रणाली 8 / 448. Q. Which sensor is used to alert the driver of unseen obstacles? | ड्राईवर को सावधान करने के लिए कौन सा सेंसर प्रयोग किया जाता है? A) Speed sensor | स्पीड सेंसर B) Parking sensor | पार्किंग सेंसर C) Torque sensor | टाके सेंसर D) Pressure sensor | प्रेशर सेंसर 9 / 449. Q. Which part of ignition system connects and disconnects primary circuit? | इग्निशन सिस्टम का कौन सा पार्ट, प्राईमरी सर्किट को जोडता एवं तोडता है? A) Distributor | डिस्ट्रीब्यूटर B) Condenser | कंडेसर C) Contact breaker | कानटेक्ट ब्रेकर D) Ignition coil | इग्निशन क्वायल को लो टेंशन करंट डिस्ट्रीब्यूट करना 10 / 4410. Q. What is the function of ignition coil? | इग्निशन क्वायल का क्या कार्य है? A) Step up low voltage to high voltage | निम्न वोल्टेज को उच्च वोल्टेज की ओर ले जाएं B) Step down high voltage to low voltage | हाई वोल्टेज को लो वोल्टेज मे घटाना C) Connect the primary circuit to ignition switch । प्राईमरी सर्किट को इग्निशन स्विच से जोडना D) Disconnect the secondary circuit to distributor | सकेंडरी सर्किट को डिस्ट्रीब्यूटर से तोडना 11 / 4411. Q. What is the advantage of EFI engine management system? | EFI ईंजन मेनेजमेंट सिस्टम का क्या फायदा है? A) Increased thermal efficiency | थर्मल एफिसियंसी बताना B) Increased mechanical efficiency | मेकैनिकल एफिसियंसी सिस्टम C) Better starting and acceleration | बेहतर स्रटाटिंग और एक्सलरेशन D) Effective fuel distribution achived | इफेक्टीव फ्युल डिस्ट्रीब्यूशन प्राप्त करना 12 / 4412. Q. Which sensor located in the intake manifold or throttle body? | थ्रोटल बॉडी या इंनटेक मेनिफोल्ड में कौन सा सेंसर लगा होता है? A) Mass air flow sensor | मास एयर फ्लो सेंसर B) Oxygen sensor | ऑक्सीजन सेंसर C) Hall effect sensor | हाल इफेक्ट सेंसर D) Air vertex sensor | एयर वरटेक्स सेंसर 13 / 4413. Q. What is the permitted spark plug gap in general? | आमतौर पर स्पार्क प्लग्गैप कितना होता है? A) 2.83 mm B) 2.03 mm C) 2.53 mm D) 2.92 mm 14 / 4414. Q. Which electronic control system prevent stalling of engine when additional loads are placed on the engine? | जब इंजन पर अतिरिक्त भार डाला जाता है तो कौन सा इलेक्ट्रॉनिक नियंत्रण प्रणाली इंजन को रोकती है? A) Fuel injection control system | फ्युल इंजेक्सन कंट्रोल सिस्टम B) Fuel pump control system | फ्युल पम्प कंट्रोल सिस्टम C) Idle speed control system | आईडल स्पीड कंट्रोल सिस्टम D) Ignition control system | इग्निशन कंट्रोल सिस्टम 15 / 4415. Q. Which part of cold start system allow additional air to bypass the throttle plate? | कोल्ड स्टार्ट सिस्टम का कौन सा पार्ट अतिरिक्त हवा को थ्रोटल प्लेट को बायपास करने की अनुमति देता है? A) Auxiliary air valve | आग्जीलरी एयर वाल्व B) Air supply relay | एयर सप्लाई रिले C) Thermo time switch | थर्मो टाईम स्विच D) Oxygen sensor | ऑक्सीजन सेंसर 16 / 4416. Q. Why many engines use spark plugs with tapered seats? | बहुत से इंजनों में स्पार्क प्लग को तिरछी शीट के साथ क्यों प्रयोग करते है? A) Helps in easy fitting | ईजी फिटिंग में सहायक होगा B) Produce correct alignment | सही अलाईमेंट पैदा करना C) Provide clearance space | क्लियरएंस स्पेस प्रदान करना D) Produce good sealing | अच्छी सीलिंग पैदा करना 17 / 4417. Q. What is the name of sensor? | सेंसर का क्या नाम है? A) Crank position sensor | केंक पोजिशन सेंसर B) Pressure sensor | प्रेसर सेंसर C) Temperature sensor | टेम्परेचर सेंसर D) Hall effect sensor | हाल इफेक्ट सेंसर 18 / 4418. Q. What is the name of part marked as 'X' in the multi point fuel injection? | मल्टि पाईंट फ्युल इंजेक्शन में 'x' निशान वाले पार्ट का क्या नाम है? A) Intake port | इनटेक पार्ट B) Intake valve | इनटेक वाल्व C) Intake manifold | इनटेक मेनिफोल्ड D) Injectors | इंजेक्टर 19 / 4419. Q. What is the firing order for four cylinder engine? | फोर सिलेंडर इंजन के लिए फायरिंग ओडर क्या है? A) 1,3,4,2 B) 1,2,3,4 C) 2,3,1,4 D) 3,1,4,2 20 / 4420. Q. What is the achived through spark plug end gap design? | स्पार्क प्लग एन्ड गैप के डिजाईन द्वारा क्या प्राप्त किया जाता है? A) Improve combustion swirl | कम्वशन स्विरल में सुधार करना B) Increase the fuel pressure | फ्युल प्रेशर बढाना C) Improve fuel atomisation | फ्युल प्रेशर बढाना D) Helps for the complete ignition | इग्निशन पुरा करने में सहायता करना 21 / 4421. Q. Which law states that the induction of electromotive force in any closed circuit is equal to the rate of change of magnetic flux? | किसी क्लोजड सर्किट में कौन से नियम के अनुसार, इंडक्शन इलेक्ट्रोमोटिव फोर्स, रेट आफ चेंज मेगनेटिक फ्लक्स के बराबर होती है? A) Law of resistance | रजिटेंस का नियम B) Ohms law | ओम्स का नियम C) Charles law | चार्ल्स का नियम D) Faraday's law | फेराडेस का नियम 22 / 4422. Q. What is the name of gauge used to check spark plug gap? | स्पार्क प्लग गैप चैक करने के लिए प्रयोग की जोन वाली गेज का क्या नाम है? A) Radiator gauge | रेडियेटर गैज B) Feeler gauge | फिलर गैज C) Angle gauge | एंगल गैज D) Plug gauge | प्लग गैज 23 / 4423. Q. What is the achived through spark plug end gap design? | स्पार्क प्लग एन्ड गैप के डिजाईन द्वारा क्या प्राप्त किया जाता है? A) Improve combustion swirl | कम्वशन स्विरल में सुधार करना B) Increase the fuel pressure | फ्युल प्रेशर बढाना C) Improve fuel atomisation | फ्युल प्रेशर बढाना D) Helps for the complete ignition | इग्निशन पुरा करने में सहायता करना 24 / 4424. Q. Which sensor is used to alert the driver of unseen obstacles? | ड्राईवर को सावधान करने के लिए कौन सा सेंसर प्रयोग किया जाता है? A) Speed sensor | स्पीड सेंसर B) Parking sensor | पार्किंग सेंसर C) Torque sensor | टाके सेंसर D) Pressure sensor | प्रेशर सेंसर 25 / 4425. Q. What is the special feature of cold start system? | कोल्ड स्टार्ट सिस्टम के विषेश लक्षण क्या है? A) Provide additional fuel during starting | स्ट्राटिंग के समय अधिक फ्युल प्रदान करना B) Provide positive starting | पाजिटिव स्ट्राटिंग प्रदान करना C) Intake manifold | इनटेक मेनिफोल्ड D) Determine timing and sequence of fuel injection | टाईमिंग और फ्युल इंजेक्शन के क्रम को निर्धारित करना 26 / 4426. Q. How many spark plugs are ignited at the same time in the distributor less ignition system? | बिना डिस्ट्रीब्यूटर वाले इग्निशन सिस्टम में कितने स्पार्क पलग एक साथ इग्नाईट होते है? A) Two | दो B) Three | तीन C) Four | चार D) Five | पाँच 27 / 4427. Q. What is the purpose of breaker plate in the distributor? | डिस्ट्रीब्यूटर में ब्रेकर प्लेट का क्या उदेश्य है? A) Acts as contact breaker | कांटेक्ट ब्रेकर के रूप में कार्य करना B) Prevents dirt, carbon into distributor | डिस्ट्रीब्यूटर को धूल और कार्बन से बचाना C) Conduct the ignition surge to the electrode | इलेक्ट्रोड के लिए इग्निशन उछाल का संचालन करना D) Distribute high tension surge to ignition coil । इग्निशन क्वाईल को हाई टेंशन का उछाल बॉटना 28 / 4428. Q. What is the name of part marked as 'X' in the multi point fuel injection? | मल्टि पाईंट फ्युल इंजेक्शन में 'x' निशान वाले पार्ट का क्या नाम है? A) Intake port | इनटेक पार्ट B) Intake valve | इनटेक वाल्व C) Intake manifold | इनटेक मेनिफोल्ड D) Injectors | इंजेक्टर 29 / 4429. Q. Which type of sensor used to monitor the injection timing and ignition timing of engine? | ईंजन की इंजेक्शन टाइमिंग और इग्निशन टाइमिंग की जाँच करने के लिए किस प्रकार के सेंसर का प्रयोग किया जाता है? A) Pressure sensor | प्रेशर सेंसर B) Throttle position sensor | थ्रोटल पोजिशन सेंसर C) Crank and cam, shaft position sensor | फेंक और कैम, शाफ्ट पोजिशन सेंसर D) Engine knocking sensor | ईंजन नोकिंग सेंसर 30 / 4430. Q. Where the engine control module installed in the engine? | ईंजन के ईंजन कंट्रोल मोडयुल कहाँ फिट किया जाता है? A) Under side of instrument panel | ईन्सुटूमेंट पैनल के निचे की तरफ B) In the gear box assembly | गीयर वाक्स असैम्बली में C) Near the fly wheel | फलाई व्हील के पास D) Front side of radiator | रेडियटर के आगे की तरफ 31 / 4431. Q. What is the name of sensor? | सेंसर का क्या नाम है? A) Temperature sensor | टेम्परेचर सेंसर B) Throttle position sensor | थ्रोटल पोजिशन सेंसर C) Crank shaft position sensor | केंक शाफ्ट पोजिशन सेंसर D) Pressure sensor | प्रेशर सेंसर 32 / 4432. Q. What is the purpose of breaker plate in the distributor? | डिस्ट्रीब्यूटर में ब्रेकर प्लेट का क्या उदेश्य है? A) Acts as contact breaker | कांटेक्ट ब्रेकर के रूप में कार्य करना B) Prevents dirt, carbon into distributor | डिस्ट्रीब्यूटर को धूल और कार्बन से बचाना C) Conduct the ignition surge to the electrode | इलेक्ट्रोड के लिए इग्निशन उछाल का संचालन करना D) Distribute high tension surge to ignition coil । इग्निशन क्वाईल को हाई टेंशन का उछाल बॉटना 33 / 4433. Q. What is the special feature of cold start system? | कोल्ड स्टार्ट सिस्टम के विषेश लक्षण क्या है? A) Provide additional fuel during starting | स्ट्राटिंग के समय अधिक फ्युल प्रदान करना B) Provide positive starting | पाजिटिव स्ट्राटिंग प्रदान करना C) Intake manifold | इनटेक मेनिफोल्ड D) Determine timing and sequence of fuel injection | टाईमिंग और फ्युल इंजेक्शन के क्रम को निर्धारित करना 34 / 4434. Q. What is the name of device used in the ignition system? | चित्र में दिखाए गए इग्निशन सिस्टम के पार्ट का क्या नाम है? A) Distributor | डिश्टीवुटर B) Ignition coil | इग्निशन क्वाइल C) Condenser | कन्डेंसर D) Contact breaker | कानटेक्ट ब्रेकर 35 / 4435. Q. What is the name of part marked as 'X' in the MPEI system? | MPFI सिस्टम में 'x' निशान वाले पार्ट क्या नाम है? A) Fuel filter | फयुल फिल्टर B) Electric fuel pump | इलेक्ट्रिक फ्युल पम्प C) Pressure regulator | प्रेशर रेगुलेटर D) Electronic control unit | इलेक्ट्रोनिक कंट्रोल युनिट 36 / 4436. Q. What is the contributory cause for the engine hard to start - cold? | इंजन के शुरू होने में मुश्किल के लिए अंशदायी कारण क्या है - ठंडा? A) Thermo time switch faulty | थर्मो टाईमस्विच खराब होना B) Defective oil pressure | दोषपूर्ण तेल का दबाव C) Faulty fuel filter | दोषपूर्ण ईंधन फ़िल्टर D) Damaged radiator | क्षतिग्रस्त रेडिएटर 37 / 4437. Q. What is the name of sensor? | सेंसर का क्या नाम है? A) Temperature sensor | टेम्परेचर सेंसर B) Blind spot sensor | बलाईंड स्पॉट सेंसर C) Pressure sensor | प्रेशर सेंसर D) Air vertex sensor | एयर वरटेक्स सेंसर 38 / 4438. Q. Which instrument indicate engine RPM in the engine control module? | ईंजन कंट्रोल मोडयुल में ईंजन के RPM कौन सा यंत्र बताता है? A) Pyno meter | पाईनो मीटर B) Tachometer | टेको मीटर C) Galvano meter | गेलवेनो मीटर D) Hydro meter | हाईड्रो मीटर 39 / 4439. Q. Which senor is used to sense vibration? | वाईब्रेशन सेंस करने के लिए कौन से सेंसर का प्रयोग होता है? A) Engine knocking sensor | ईंजन नोकिंग सेंसर B) Hall effect sensor | हाल इफेक्ट सेंसर C) Air vertex sensor | एयर वरटेक्स सेंसर D) Vehicle speed sensor | व्हील स्पीड सेंसर 40 / 4440. Q. Which part of electronic fuel injection system controls opening of bypass air passage? | इलेक्ट्रोनिक फ्यूल इंजेक्शन सिस्टम का कौन सा पार्ट वाईपास एयर पैसेज के खोलने को कंट्रोल करता है? A) Pressure relief valve | प्रेशर रिलिफ वाल्व B) Idle air control valve | आईडयल एयर कंट्रोल वाल्व C) Throttle valve | थ्रोटल वाल्व D) Check valve | येक वाल्व 41 / 4441. Q. What is the name of part marked as 'x' in the vacuum advance mechanism? | वैक्युम एडवांस मेकेनिजम में 'x' निशान वाले पार्ट का क्या नाम है? A) Vacuum unit | वेक्युम युनिट B) Diaphragm | डायफराम C) Breaker plate | ब्रेकर प्लेट D) Distributor forcioyce 42 / 4442. Q. What is the name of part marked as 'x' in the ignition coil? | इग्निशन क्वायल में 'x' निशान वाले पार्ट का क्या नाम है? A) Primary winding | प्राईमरी वाइंडिग B) Secondary winding | सैक्नडरी वाइंडिग C) Backlite cap | वैकलाईट केप D) Secondary cap | सेकंडरी केप 43 / 4443. Q. Which law states that the induction of electromotive force in any closed circuit is equal to the rate of change of magnetic flux? | किसी क्लोजड सर्किट में कौन से नियम के अनुसार, इंडक्शन इलेक्ट्रोमोटिव फोर्स, रेट आफ चेंज मेगनेटिक फ्लक्स के बराबर होती है? A) Law of resistance | रजिटेंस का नियम B) Ohms law | ओम्स का नियम C) Charles law | चार्ल्स का नियम D) Faraday's law | फेराडेस का नियम 44 / 4444. Q. What is the name of part marked as 'X' in the MPEI system? | MPFI सिस्टम में 'x' निशान वाले पार्ट क्या नाम है? A) Fuel filter | फयुल फिल्टर B) Electric fuel pump | इलेक्ट्रिक फ्युल पम्प C) Pressure regulator | प्रेशर रेगुलेटर D) Electronic control unit | इलेक्ट्रोनिक कंट्रोल युनिट Your score is Facebook Restart