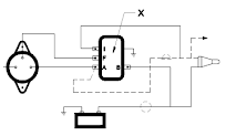
Charging and Starting System – ITI NIMI Mock Test MMVTest Charging and Starting System (चार्जिंग और स्टार्टिंग सिस्टम) – ITI NIMI Mock Test MMV Theory 1st Year Charging and Starting System - ITI NIMI Mock Test MMV Theory 1st Year 1 / 251. Q. Which condition does a dynamo highly charge the battery? | डायनेमो किस स्थिति में बैटरी को अत्यधिक चार्ज करता है? A) Low engine speed | इंजन की कम गति B) Low engine torque | कम इंजन वाला टॉर्क C) High engine speed | उच्च इंजन की गति D) High engine torque | उच्च इंजन टॉर्क 2 / 252. Q. What is the stationary part of an alternator? | अल्टरनेटर का स्थिर भाग क्या है? A) Stator | स्टेटर B) Rotor | रोटर C) Slip rings | स्लीप रिंग्स D) Pulley | पुली 3 / 253. Q. Which is produced AC output in alternator? | अल्टरनेटर में कौन सा एसी आउटपुट होता है? A) Self induction | सेल्फ इंडक्शन B) Mutual induction | म्यूच्यूअल इंडक्शन C) Electro magnetic induction | इलेक्ट्रोमैग्नेटिक इंडक्शन D) Reactance | रेअक्टांस 4 / 254. Q. Which type drive mechanism slide the armature in starting motor? | मोटर शुरू करने में आर्मेचर किस प्रकार के ड्राइव तंत्र को स्लाइड करता है? A) Bendix drive | बेंडिक्स ड्राइव B) Over running clutch drive | क्लच ड्राइव चलाने पर C) Axial drive | एक्सियल ड्राइव D) Non axial drive | गैर एक्सियल ड्राइव 5 / 255. Q. Which device used to maintain the constant voltage in a charging circuit? | चार्जिंग सर्किट में निरंतर वोल्टेज बनाए रखने के लिए किस उपकरण का उपयोग किया जाता है? A) Cut out regulator | कट आउट नियामक B) Field regulator | फील्ड रेगुलेटर C) Voltage regulator | वोल्टेज रेगुलेटर D) Current regulator | करंट रेगुलेटर 6 / 256. Q. Where the carbon brushes are in contact with starting motor? | कार्बन ब्रश मोटर शुरू करने के संपर्क में कहां हैं? A) Armature | आर्मेचर B) Armature shaft | आर्मेचर शाफ़्ट C) End cover | अंतिम कवर D) Commutator | कम्यूटेटर 7 / 257. Q. Which is used to convert AC to DC in alternator? | अल्टरनेटर में AC को DC में बदलने के लिए किसका उपयोग किया जाता है? A) Condenser | कंडेनसर B) Diodes | डायोड C) Slip ring | स्लीप रिंग्स D) Rotor | रोटर 8 / 258. Q. What is the name of the test carried out? । परीक्षण का नाम क्या है? A) Short circuit test | शॉर्ट सर्किट टेस्ट B) Open circuit test | ओपन सर्किट टेस्ट C) Continuity test | कंटिन्यूटी टेस्ट D) Insulation test | इंसुलेशन टेस्ट 9 / 259. Q. Which device produce the AC current in a vehicle? | किसी वाहन में AC करंट किस उपकरण से उत्पन्न होता है? A) Dynamo | डाइनेमो B) Alternator | अल्टरनेटर C) Starting motor | मोटर चालू करने पर D) Ignition coil | इग्निशन कोइल 10 / 2510. Q. Which part of the engine engages with starter motor pinion? | इंजन का कौन सा भाग स्टार्टर मोटर पिनियन से संलग्न है? A) Timing gear | टाइम गियर B) Pump gear | पंप गियर C) Fly wheel ring gear | फ्लाई व्हील रिंग गियर D) Cam Shaft gear | कैम शाफ्ट गियर 11 / 2511. Q. What instrument used to check run out of commutator? | कम्यूटेटर के रन आउट की जाँच करने के लिए किस उपकरण का उपयोग किया जाता है? A) Growler | ग्राउलर B) Multimeter | मल्टीमीटर C) Dial gauge | डायल गेज D) Vernier caliper | वर्नियर कैलीपर 12 / 2512. Q. Which is the instrument used to check the wearness of the commutator? | कम्यूटेटर की वीअरनेस की जांच करने के लिए किस उपकरण का उपयोग किया जाता है? A) Growler | ग्राउलर B) Multimeter | मल्टीमीटर C) Dial gauge | डायल गेज D) Vernier caliper | वर्नियर कैलीपर 13 / 2513. Q. Which device give high output at low speed? | कौन सा उपकरण कम गति पर उच्च आउटपुट देता है? A) Dynamo | डाइनेमो B) Alternator | अल्टरनेटर C) Transformer | ट्रांसफार्मर D) Self motor | सेल्फ मोटर 14 / 2514. Q. How many windings are provided in a solenoid switch? | एक सोलनॉइड स्विच में कितनी वाइंडिंग प्रदान की जाती है? A) 2 B) 3 C) 4 D) 5 15 / 2515. Q. What is the position of pinion? | पिनियन की स्थिति क्या है? A) Fully engaged | पूरी तरह व्यस्त B) Disengaged | ख़ाली C) Partially engaged | आंशिक रूप से लगे हुए हैं D) Fully disengaged | पूरी तरह से विघटित 16 / 2516. Q. Which winding have thick wire in solenoid switch? | सोलनॉइड स्विच में किस वाइंडिंग में मोटी तार होती है? A) Field winding | फील्ड वाइंडिंग B) Hold-in winding | होल्ड-इन वाइंडिंग C) Armature winding | आर्मेचर वाइंडिंग D) Pull-in winding | पुल-इन वाइंडिंग 17 / 2517. Q. Which is used to operate the over running clutch drive pinion? | ओवर रनिंग क्लच ड्राइव पिनियन को संचालित करने के लिए किसका उपयोग किया जाता है? A) Starter switch | स्टार्टर स्विच B) Solenoid switch | सोलेनॉइड स्विच C) Ignition switch | इग्निशन बटन D) Starter push switch | स्टार्टर पुश स्विच 18 / 2518. Q. What is the name of the instrument? | यंत्र का नाम क्या है? A) Ammeter | एम्मिटर B) Multimeter | मल्टीमीटर C) Hydrometer | हाइड्रोमीटर D) Voltmeter | वोल्टमीटर 19 / 2519. Q. Which control the voltage in alternator current? | अल्टरनेटर करंट में निम्न में से कौन सा वोल्टेज नियंत्रित करता है? A) Battery +ve terminal | बैटरी +ve टर्मिनल B) Stator assembly | स्टेटर असेंबली C) Rotor assembly | रोटर असेंबली D) Regulator | रेगुलेटर 20 / 2520. Q. Which winding have thin wire in solenoid switch? | सोलनॉइड स्विच में पतले तार किस वाइंडिंग में होते हैं? A) Field winding | फील्ड वाइंडिंग B) Hold in winding | होल्ड-इन वाइंडिंग C) Armature winding | आर्मेचर वाइंडिंग D) Field in winding | फील्ड-इन वाइंडिंग 21 / 2521. Q. what is the name of the instrument? | यंत्र का नाम क्या है? A) Dial gauge | डायल गेज B) Growler | ग्राउलर C) Multimeter | मल्टीमीटर D) Hydrometer | हाइड्रोमीटर 22 / 2522. Q. What is the name of part marked as 'x'? | 'x' के रूप में चिह्नित भाग का नाम क्या है? A) Alternator | अल्टरनेटर B) Voltage regulator | वोल्टेज रेगुलेटर C) Commutator | कम्यूटेटर D) Battery | बैटरी 23 / 2523. Q. Which condition does a alternator normally charge the battery? | अल्टरनेटर सामान्यत: बैटरी को किस स्थिति में चार्ज करता है? A) Low engine speed | इंजन की कम गति B) Low engine torque | कम इंजन वाला टॉर्क C) High engine speed | उच्च इंजन की गति D) High engine torque | उच्च इंजन टॉर्क 24 / 2524. Q. Which part of alternator generate AC current in the stator coil? | अल्टरनेटर के किस भाग से स्टेटर कॉइल में एसी करंट उत्पन्न होता है? A) Slip ring end frame | स्लिप रिंग एंड फ्रेम B) Drive end frame | ड्राइव एंड फ्रेम C) Rotor assembly | रोटर असेंबली D) Current regulator | करंट रेगुलेटर 25 / 2525. Q. What is the name of test carried out? | परीक्षण का नाम क्या है? A) No load test | कोई लोड टेस्ट नहीं B) Full load test | फुल लोड टेस्ट C) Short circuit test | शॉर्ट सर्किट टेस्ट D) Open circuit test | ओपन सर्किट टेस्ट Your score is Restart