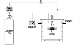
Arc and Gas Welding – ITI NIMI Mock TestTest Arc and Gas Welding (आर्क और गैस वेल्डिंग) – ITI NIMI Mock Test Mechanic Diesel Theory Arc and Gas Welding - ITI NIMI Mock Test Mechanic Diesel Theory 1 / 411. Q. What is the purpose of annealing? | ऐनीलिंग का उद्देश्य क्या है? A) Improve hardness | कठोरता में सुधार B) Improve machinability | मशीनीकरण में सुधार कर C) Improve brittleness | भंगुरता में सुधार D) Improve weldability | वेल्डेबिलिटी में सुधार 2 / 412. Q. What is the name of edge preparation and setup in welding process? | वेल्डिंग प्रक्रिया में किनारे की तैयारी और सेटअप का नाम क्या है? A) Single 'V' Butt | सिंगल Single वी बट B) Flange butt | निकला हुआ किनारा C) Lap butt | लैप बट D) Corner butt | कोने का बट 3 / 413. Q. Which is the safety method for carry the oxy-acetylene gas cylinders? | ऑक्सी -एसिटिलीन गैस सिलेंडरों को ले जाने के लिए कौन सी सुरक्षा विधि है? A) Rolling | रोलिंग B) Sliding | स्लाइडिंग C) Dragging | ड्रेगिंग D) Use a trolly | ट्राली का उपयोग करेगे 4 / 414. Q. Which valve to be closed first while gas flame snaps out and backfire? | गैस फ्लेम के बाहर निकलने और आग लगने के समय सबसे पहले किस वाल्व को बंद किया जाता है? A) Oxygen valve in cylinder | सिलेंडर में ऑक्सीजन वाल्व B) Oxygen valve at blow pipe | ब्लो पाइप में ऑक्सीजन वाल्व C) Acetylene valve in cylinder | सिलेंडर में एसिटिलीन वाल्व D) Acetylene valve at blow pipe | ब्लो पाइप पर एसिटिलीन वाल्व 5 / 415. Q. What is the Quenching media of normalising? | नर्मलाइजिंग करने की कुएंचिंग माध्यम क्या है? A) Water spray | जल का छिड़काव B) Open air | खुली हवा C) Oil bath | तेल स्नान D) Water bath | पानी स्नान 6 / 416. Q. What is the name of part marked as x? | X के रूप में चिह्नित भाग का नाम क्या है? A) Regulator | रेगुलेटर B) Blow pipe | ब्लो पाइप C) Spark lighter | स्पार्क लाइटर D) None - return disc | नोने - रिटर्न डिस्क 7 / 417. Q. Which is protecting the eyes from harmful rays of the electric arc welding? | इलेक्ट्रिक आर्क वेल्डिंग की हानिकारक किरणों से आँखों की रक्षा कर रहा है? A) Helmet | हेलमेट B) Lather apron | लेदर एप्रन C) Lather gloves | लेदर दस्ताने D) Welding helmet screen | वेल्डिंग हेलमेट स्क्रीन 8 / 418. Q. What is the importance of case hardening? | केस हार्डनिंग होने का क्या महत्व है? A) To increase softness | कोमलता बढ़ाने के लिए B) To withstand wear resistance | प्रतिरोध का सामना करने के लिए C) To withstand heavy load | भारी भार का सामना करना D) To decrease the brittleness | भंगुरता को कम करने के लिए 9 / 419. Q. Which type of physical transformation takes place during arc welding process? | चाप वेल्डिंग प्रक्रिया के दौरान किस प्रकार का शारीरिक परिवर्तन होता है? A) Colour transfer | रंग हस्तांतरण B) Metal transfer | धातु स्थानांतरण C) Current transfer | करंट स्थानांतरण D) Heat transfer | गर्मी का हस्तांतरण 10 / 4110. Q. Which is the stage of heat treatment process? | गर्मी उपचार प्रक्रिया का चरण कौन सा है? A) Cooling the metal | धातु को ठंडा करना B) Heating the metal slowly | धातु को धीरे-धीरे गर्म करना C) Hold at a given temperature | दिए गए तापमान पर पकड़ D) Heat and cool the metal as soon as possible जितनी जल्दी हो सके धातु को गर्म और ठंडा करें 11 / 4111. Q. Which machine can be used anywhere in the field for welding away from electric main supply? | इलेक्ट्रिक मेन सप्लाई से दूर वेल्डिंग के लिए क्षेत्र में किसी भी मशीन का उपयोग कहां किया जा सकता है? A) Motor generator set | मोटर जनरेटर सेट B) Engine generator set | इंजन जनरेटर सेट C) AC arc welding machine | एसी आर्क वेल्डिंग मशीन D) AC welding transformer with a rectifier | एसी वेल्डिंग ट्रांसफार्मर विथ रेक्टिफायर 12 / 4112. Q. What is the electrode angle with weld line? | वेल्ड लाइन के साथ इलेक्ट्रोड कोण क्या है? A) 70° to 80° B) 50° to 60° C) 45° to 50° D) 35° to 40° 13 / 4113. Q. What is the name of the weld joint? | वेल्ड संयुक्त का नाम क्या है? A) Double 'V' butt | डबल वी बट B) Double 'U' butt | डबल यू बट C) Single bevel butt | सिंगल बेवल बट D) Double jbutt | डबल जे बट 14 / 4114. Q. What is the name of part marked as x? | X के रूप में चिह्नित भाग का नाम क्या है? A) Nozzle | नोजल B) Handle | हैंडल C) Oxygen control valve | ऑक्सीजन नियंत्रण वाल्व D) Acetylene control valve | एसिटिलीन नियंत्रण वाल्व 15 / 4115. Q. What is the name of equipment? | उपकरण का नाम क्या है? A) Motor generator set | मोटर जनरेटर सेट B) Engine generator set | इंजन जनरेटर सेट C) Dc generator machine | डीसी जनरेटर मशीन D) Alternating current welding machine | अल्टरनेटिंग करंट वेल्डिंग मशीन 16 / 4116. Q. Which gas cutting process is suitable for all position, location and under water? | कौन सी गैस काटने की प्रक्रिया सभी स्थिति, स्थान और पानी के नीचे के लिए उपयुक्त है? A) Gas cutting | गैस काटना B) Plasma cutting | प्लाज्मा काटना C) Manual cutting | मैनुअल काटने D) Machine cutting | मशीन काटना 17 / 4117. Q. What is the name of part marked as X? | X के रूप में चिह्नित भाग का नाम क्या है? A) Switch | स्विच B) Ceramic nozzle | सिरेमिक नोजल C) Welding current | वेल्डिंग करंट D) Tungsten electrode | टंगस्टन इलेक्ट्रोड 18 / 4118. Q. What is the name of part marked as 'X'? | X के रूप में चिह्नित भाग का नाम क्या है? A) Pilot arc | पायलट आर्क B) Electrode | इलेक्ट्रोड C) Weld pool | वेल्ड पूल D) Contact tube | संपर्क ट्यूब 19 / 4119. Q. Which quenching media applied in the flame hardening process? | फ्लेम हार्डनिंग प्रक्रिया में किस कुएंचिंग मीडिया का उपयोग किया जाता है A) Still air | स्टील एयर B) Oil bath | आयल बाथ C) Brine solution bath | ब्रिने सलूशन बाथ D) Water spray | वाटर स्प्रे 20 / 4120. Q. What is the colour of acetylene gas cylinder? | एसिटिलीन गैस सिलेंडर का रंग क्या है? A) Red | लाल B) Maroon | मैरून C) Black | काला D) Peacock blue | मोरपंखी नीला रंग 21 / 4121. Q. What is the colour of hose carrying acetylene? | एसिटिलीन ले जाने वाली नली का रंग क्या है? A) Red | लाल B) Black | काला C) Maroon | मेरून D) Peacock blue | मोरपंखी नीला रंग 22 / 4122. Q. What is the dia of medium coated MS electrode used in fillet weld lap joint with 110/120 Amps welding current? | 110/120 Amps वेल्डिंग करंट के साथ पट्टिका वेल्ड लैप जॉइंट में प्रयुक्त मध्यम लेपित MS इलेक्ट्रोड का व्यास क्या है? A) 1.0 mm B) 1.5 mm C) 2.5 mm D) 3.15 mm 23 / 4123. Q. Which one of the following metals cannot be welded by AC welding machine? | निम्नलिखित में से किस धातु को एसी वेल्डिंग मशीन द्वारा वेल्ड नहीं किया जा सकता है? A) Brass | पीतल B) Cast iron | कच्चा लोहा C) Mild steel | नरम इस्पात D) High carbon steel | उच्च कार्बन इस्पात 24 / 4124. Q. What is the name of process? | प्रक्रिया का नाम क्या है? A) Annealing | एनीलिंग B) Carburising | कार्बुरिसिंग C) Normalising | नोर्मलिसिंग D) Case hardening | केस हार्डनिंग 25 / 4125. Q. Name the welding process? | वेल्डिंग प्रक्रिया का नाम बताइए? A) Plasma arc welding | प्लाज्मा आर्क वेल्डिंग B) Electro - slag welding | इलेक्ट्रो - स्लैज वेल्डिंग C) Gas metal arc welding | गैस मेटल आर्क वेल्डिंग D) Submerged arc welding | सबमर्ल्ड आर्क वेल्डिंग 26 / 4126. Q. What is the advantage of AC arc welding machine? | एसी आर्क वेल्डिंग मशीन का लाभ क्या है? A) More initial cost | मोरे इनिशियल कास्ट B) Freedom from arc blow | फ्रीडम फ्रॉम आर्क C) More maintenance cost | मोरे मेंटेनेंस कास्ट D) Un suitable for non ferrous metal | अनसूटेबल फॉर नॉन फेरस मेटल 27 / 4127. Q. What is the colour of acetylene gas cylinder? | एसिटिलीन गैस सिलेंडर का रंग क्या है? A) Red | लाल B) Maroon | मैरून C) Black | काला D) Peacock blue | मोरपंखी नीला रंग 28 / 4128. Q. Which one is the heat treatment process? । गर्मी उपचार प्रक्रिया कौन सी है? A) Casting | ढलाई B) Machining | मशीनिंग C) Welding | वेल्डिंग D) Annealing | एनीलिंग 29 / 4129. Q. What is the name of oxy- acetylene gas flame? | ऑक्सी- एसिटिलीन गैस की ज्वाला का क्या नाम है? A) Arc flame | आर्क फ्लेम B) Neutral flame | नेचुरल फ्लेम C) Carburising flame | कार्बुरिसिंग फ्लैम D) Oxidising flame | ऑक्सीकरण फ्लेम 30 / 4130. Q. What is the name of gas flame? | गैस की लौ का क्या नाम है? A) Neutral flame | नेचुरल फ्लेम B) Starting flame | स्टार्टिंग फ्लेम C) Oxidising flame | ऑक्सीकरण फ्लैम D) Carburising flame | कार्बुरिसिंग 31 / 4131. Q. What is the colour of hose carrying oxygen? | ऑक्सीजन ले जाने वाली नली का रंग क्या है? A) Red | लाल B) Black | काला C) Maroon | लाल रंग D) Peacock blue | मोरपंखी नीला रंग 32 / 4132. Q. Which type of hardening used for camshaft production? | कैम शाफ्ट उत्पादन के लिए किस प्रकार का सख्त उपयोग किया जाता है? A) Annealing | एनीलिंग B) Carburising | कार्बुरिसिंग C) Normalising | नोर्मलिसिंग D) Induction hardening | इंडक्शन हार्डनिंग 33 / 4133. Q. What is the name of edge preparation method used in welding process? | वेल्डिंग प्रक्रिया में उपयोग किए जाने वाले किनारे की तैयारी विधि का नाम क्या है? A) Single 'V' Butt | सिंगल वी बट B) Soldering | सोल्डरिंग C) Riveting | रिवेटिंग D) Brazing | ब्रजिंग 34 / 4134. Q. What is the name of part marked as 'X'? | 'X' के रूप में चिह्नित भाग का नाम क्या है? A) Safety plug | सुरक्षा प्लग B) Valve socket | वाल्व सॉकेट C) Valve spindle | वाल्व स्पिंडल D) Dissolved acetylene | डिस्सोलव्ड एसिटिलीन 35 / 4135. Q. Which type of hardening used eddy current in the metal bar? | धातु पट्टी में किस प्रकार का हार्डनिंग इस्तेमाल किया हुआ करंट होता है? A) Flame hardening | फ्लेम हार्डनिंग B) Nitriding hardening | नाइट्राइडिंग हार्डनिंग C) Induction hardening | इंडक्शन हार्डनिंग D) Annealing hardening | ऐनीलिंग हार्डनिंग 36 / 4136. Q. What is the name of welding process? | वेल्डिंग प्रक्रिया का नाम क्या है? A) Arc welding | आर्क वेल्डिंग B) Carbon arc welding | कार्बन आर्क वेल्डिंग C) Plasma arc welding | प्लाज्मा आर्क वेल्डिंग D) Submerged arc welding | सबमर्ल्ड आर्क वेल्डिंग 37 / 4137. Q. What is the name of process? | प्रक्रिया का नाम क्या है? A) Nitriding | नाईटराइडिंग B) Annealing | एनीलिंग C) Carburising | कार्बुरिसिंग D) Induction hardening | इंडक्शन हार्डनिंग 38 / 4138. Q. Which solution is used for acetylene gas connection leakage test? | एसिटिलीन गैस कनेक्शन रिसाव परीक्षण के लिए किस समाधान का उपयोग किया जाता है? A) Kerosene | मिटटी तेल B) Naked fire | नंगी आग C) Soap water | साबुन का पानी D) Fresh water | ताजा पानी 39 / 4139. Q. What is the advantage of using rectifier set in arc welding machine? | आर्क वेल्डिंग मशीन में रेक्टिफायर सेट का उपयोग करने का क्या फायदा है? A) Suitable for all ferrous and non-ferrous | सभी लौह और अलौह के लिए उपयुक्त है। B) Initial cost is lower | प्रारंभिक लागत अधिक है। C) Maintenance cost in less | रखरखाव की लागत अधिक है। D) Not special safety precaution required | विशेष सुरक्षा एहतियात की आवश्यकता है। 40 / 4140. Q. What is the colour of oxygen gas cylinder? | ऑक्सीजन गैस सिलेंडर का रंग क्या है? A) Red | लाल B) Maroon | मैरून C) Black | काला D) Peacock blue | मोरपंखी नीला रंग 41 / 4141. Q. What is the name of welding device? | वेल्डिंग डिवाइस का नाम क्या है? A) Motor generator | मोटर जनरेटर B) Engine generator | इंजन जनरेटर C) Regulator | रेगुलेटर D) Alternator | अल्टरनेटर Your score is Facebook Restart